Axial-Wandventilator Wandventilator
6853109
DZQ60/6B
0083.0065
auf Anfrage
je 1 Stück
Bestellware
Verpackungseinheiten
| 1 Stück | Menge übernehmen |
Funktionen
Verkaufsdaten
| Mindestbestellmenge | 1 Stück |
| Bestellschritt | 1 Stück |
Beschreibung
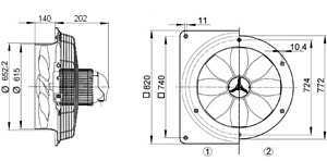
Drehstrom-Ausführung: Axial-Wandventilator mit quadratischer Wandplatte, in Drehstromausführung. Kurzbeschreibung: Schutzgitter auf der Saugseite, Berührungsschutz gemäß DIN EN ISO 13857. 8-blättrige Flügelräder aus glasfaserverstärktem Polyamid. Thermischer Überlastungsschutz serienmäßig. Ventilatoren erfüllen die Anforderungen der europäischen Ökodesign Verordnung (EG) Nr.327/2011 Richtlinie 2009/125/EG. Vibrationsfreier Lauf durch dynamisch gewuchtetes Flügelrad und Motor (Welle-Rotor), gemäß Gütestufe 6.3, DIN ISO 1940, Teil 1. Hoher lüftungsseitiger Wirkungsgrad, niedriges Betriebsgeräusch. Erhöhte Langlebigkeit durch qualitativ hochwertige Materialien wie geräuscharme Kugellager. Ventilatoren sind wartungsfrei. Reversierbarer Betrieb der Ventilatoren möglich. Kundenspezifische Sonderspannungen als Sonderausführungen auf Anfrage und gegen Mehrpreis lieferbar. Einbau zur Be- und Entlüftung in jeder Lage möglich. Förderrichtung: Die Förderrichtung ist gekennzeichnet. Standard Abluftbetrieb, Förderrichtung über Motor saugend. Drehstrommotor: Asynchronmotor. Nicht zur Förderung wasserdampfgesättigter Luft geeignet. Bemessungsspannung 400 V, 50 Hz. Schutzart IP 55. Ausnahme bei Typ DZQ ... D IP 54. Drehzahlsteuerbar. Ausnahme bei Typ DZQ 40/2 B und DZS 40/2 B. Geräte lassen sich mit einem optionalen 5-Stufentransformator stufenweise schalten. Reversierbar. Reversierbetrieb: Der Volumenstrom verringert sich um ca. 35 % bei anormaler Förderrichtung. Thermischer Überlastungsschutz serienmäßig. Ausnahme bei Typ DZQ/DZS 25/4 D und polumschaltbaren Axial-Wandventilatoren auf Anfrage erhältlich. Die Anschlüsse sind potenzialfrei auf Klemmen geführt und müssen an einen Motorvollschutzschalter z.B. MV 25 oder den Steuerstromkreis eines Schützes angeschlossen werden. Polumschaltbare Ventilatoren: Überlastungsschutz mit bauseitig zu beschaffendem Motorvollschutzschalter gewährleisten. Polumschaltbare Motoren mit den Drehzahlverhältnissen 8/4 oder 4/2 sind im Dahlanderprinzip geschaltet. Elektrischer Anschluss: An Klemmleiste im Abschlussdeckel des Motors. Sicherheitshinweise: Der Ventilator darf nur in Betrieb genommen werden, wenn der Berührungsschutz des Laufrades gemäß DIN EN ISO 13857 gewährleistet ist z.B. mit Maico Schutzgitter SG.Artikel: DZQ 60/6 B, Ausführung: Quadratische Wandplatte, Fördervolumen: 9830 m3/h, FördervolumenNenn: 7030 m3/h / im opt. Wirkungsgrad, Druck pfs, Nenn: 90 Pa - im opt. Wirkungsgrad, Drehzahl nNenn: 935 1/min - im opt. Wirkungsgrad, Drehzahl: 979 1/min, Laufradtyp: axial, Drehzahlsteuerbar: ja, Reversierbarkeit: ja, Spannungsart: Drehstrom, Bemessungsspannung: 400 V, Netzfrequenz: 50 Hz, Nennleistung: 525 W / im opt. Wirkungsgrad, INenn: 1,1 A / im opt. Wirkungsgrad, IMax: 1,4 A, Schutzart: IP 55, Wärmeklasse: F, Polumschaltbar: nein, Netzzuleitung: 7 / 1,5 mm2, Einbauort: Wand / Decke, Einbauart: Aufputz, Einbaulage: waagerecht / senkrecht, Material: Stahlblech, verzinkt, Farbe: silber, Gewicht: 20 kg, Gewicht mit Verpackung: 26 kg, Nennweite: 600 mm, Breite: 820 mm, Höhe: 820 mm, Tiefe: 342 mm, Breite mit Verpackung: 845 mm, Höhe mit Verpackung: 845 mm, Tiefe mit Verpackung: 435 mm, Fördermitteltemperatur bei Nennstrom: -20 °C bis 60 °C, Fördermitteltemperatur bei IMax: -20 °C bis 60 °C, Gesamteffizienz e: 33,5 %, Messkategorie: A, Effizienzkategorie: statisch, Effizienzgrad N: 41,6, VSD erforderlich: nein, Herstellungsjahr: siehe Typenschild, Herstellername / Amtliche Registriernummer / Niederlassungsort des Herstellers: Maico Elektroapparate-Fabrik GmbH / Registergericht Freiburg, HRB 601233 / Villingen-Schwenningen, PBEP / FördervolumenBEP / Pfs, BEP: 0,525 kW / 7030 m3/h / 90 Pa, nBEP: 935 1/min, spezifisches Verhältnis: ca. 1, Informationen zur Zerlegung und Entsorgung: siehe Montageanleitung, Informationen zu Einbau, Betrieb und Instandhaltung: siehe Montageanleitung, Verwendete Gegenstände bei der Effizienz-Messung, die nicht durch die Messkategorie beschrieben sind: -, SchallleistungspegelLWA7: 78 dB(A), Verschlussklappe: ohne
Merkmale
| Marke | Maico |
| Hersteller Type | DZQ60/6B |
| Herstellerartikelnummer | 0083.0065 |
| EAN | 4012799830658 |
| Artikelklasse | Wandventilator für Industrie und Gewerbe |
| Ausführung | Be- und Entlüftung |
| Bemessungsspannung | 400 V |
| Drehzahl | 979 1/min |
| Nennweite | 600 mm |
| Netzfrequenz | 50 Hz |
| Schutzart (IP) | IP55 |
| Volumenstrom | 9830 m³/h |
| Verschlussklappe | ohne |
| UNSPSC V24 | 40101604 |
| eClass 10.1 | 36430902 |
| Zolltarifnummer | 84145925 |
| RoHS-konform | NOT_RELEVANT |