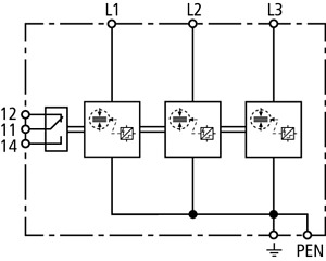
Kombiableiter DEHNshield B Typ 1+2 für dreiphasige TN-C
5424434
941306
941306
auf Anfrage
je 1 Stück
Hat Bestand
Verpackungseinheiten
| 1 Stück | Menge übernehmen |
Funktionen
Verkaufsdaten
| Mindestbestellmenge | 1 Stück |
| Bestellschritt | 1 Stück |
Beschreibung
Mehrpoliger Kombiableiter DEHNshield Basic, Typ 1 + Typ 2 nach EN 61643-11 auf Funkenstreckenbasis. Platzsparende Funkenstreckentechnologie mit nur 1 TE / Pol ermöglicht kompakte Ausführung. Zum Schutz von Wohngebäuden bei Nachrüstung oder Sanierung. Ermöglicht Endgeräteschutz. Erfüllt alle Anforderungen der DIN VDE 0100-534 und DIN VDE 0100-443. Einsetzbar direkt am Speisepunkt der elektrischen Anlage.
Merkmale
| Max. Überstromschutzeinrichtung Stichverdrahtung (Sicherung) | 160 A |
| Max. Überstromschutzeinrichtung V-Verdrahtung (Sicherung) | 100 A |
| Spannungsschaltende Funkenstreckentechnologie | Ja |
| Überstromgeschützter Spannungsabgriff | Nein |
| Netzform DC | Nein |
| Netzform IT | Nein |
| Netzform TN | Nein |
| Netzform TN-C | Ja |
| Netzform TN-C-S | Nein |
| Netzform TN-S | Nein |
| Netzform TT | Nein |
| Netzform sonstige | Nein |
| Polzahl | 3 |
| Blitzstoßstrom (10/350 µs) | 22,50 kA |
| Max. Dauerspannung AC | 255,00 V |
| Nennspannung AC | 230 V |
| Schutzpegel | 1,5 kV |
| Folgestromlöschfähigkeit | 25,00 kA |
| Max. Leiterquerschnitt starr (ein-/mehrdrähtig) | 35,00 mm² |
| Max. Leiterquerschnitt flexibel (feindrähtig) | 25,00 mm² |
| Montageart | Hutschiene TH35 |
| Baugröße | 4 TE |
| Fernsignalisierung | Ja |
| Signalisierung am Gerät | optisch |
| Prüfklasse | Typ 1 und 2 |
| Integrierte Vorsicherung | Nein |
| Energetisch koordinierte Schutzwirkung zum Endgerät | Ja |
| Schutzart (IP) | IP20 |
Gefahrstoffe
| RoHS anwendbar | Ja |
Import/Export
| Statistische Warennummer |
Geräte zum Schützen von elektrischen Stromkreisen, für eine Spannung von 1000V oder weniger und für eine Stromstärke von mehr als 125A (ausg. Sicherungen und Leistungsschalter)
85363090 |
Sonstiges
| Fegime | 5424434 |
| Herstellerbezeichnung | 941306 |