Dieser Artikel ist der Nachfolgeartikel von Artikel:
Artikelnummer:
1074741
Kombiableiter Typ 1/2 Class I für 3-ph. Stromversorgungsnetze
7619558
FLT-SEC-ZP2-3S-255/7,5
1168940
auf Anfrage
je 1 Stück
Hat Bestand
Verpackungseinheiten
| 1 Stück | Menge übernehmen |
Funktionen
Verkaufsdaten
| Mindestbestellmenge | 1 Stück |
| Bestellschritt | 1 Stück |
Beschreibung
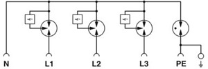
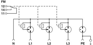
Blitzstromableiter, gem. Typ 1 / Class I, für 3-phasige Stromversorgungsnetze, mit separatem N und PE (L1, L2, L3, PE, N). Geeignet für den Potenzialausgleich in Anlagen ohne äußeren Blitzschutz mit und ohne Freileitungseinspeisung. Zur Montage auf 40 mm-Sammelschienensystemen.
Merkmale
| Marke | Phoenix Contact |
| Hersteller Type | FLT-SEC-ZP2-3S-255/7,5 |
| Herstellerartikelnummer | 1168940 |
| EAN | 4063151187316 |
| Artikelklasse | Blitzstromableiter für Energietechnik |
| Ausblasend | Nein |
| Baugröße | sonstige |
| Blitzstoßstrom (10/350 µs) | 7.5 kA |
| Folgestromlöschfähigkeit | 25 kA |
| Höchste Dauerspannung AC | 255 V |
| Max. Leiterquerschnitt flexibel (feindrähtig) | 35 mm² |
| Max. Leiterquerschnitt starr (ein-/mehrdrähtig) | 50 mm² |
| Montageart | Sammelschiene |
| Nennableitstoßstrom (8/20) | 20 kA |
| Prüfklasse Typ 1 | Nein |
| Schutzpegel | 1.5 kV |
| Schutzpegel L-N | 1.5 kV |
| eClass 10.1 | 27130810 |
| UNSPSC V24 | 39122330 |
| Zolltarifnummer | 85363090 |
| RoHS-konform | NOT_RELEVANT |