Y-Verteiler
6071305
SAC-3P-M12Y/2XM12FS3L
1403627
auf Anfrage
je 1 Stück
Bestellware
Verpackungseinheiten
| 5 Stück | Menge übernehmen |
Funktionen
Verkaufsdaten
| Mindestbestellmenge | 5 Stück |
| Bestellschritt | 5 Stück |
Beschreibung
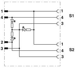
Y-Verteiler, 3-polig, ungeschirmt, Stecker gerade M12 SPEEDCON, Kodierung: A, auf Buchse gerade M12 SPEEDCON, Kodierung: A, mit 3 LEDs und Buchse gerade M12 SPEEDCON, Kodierung: A, mit 3 LEDs
Merkmale
| Marke | Phoenix Contact |
| Hersteller Type | SAC-3P-M12Y/2XM12FS3L |
| Herstellerartikelnummer | 1403627 |
| EAN | 4046356726924 |
| Artikelklasse | Sensor-Aktor-Adapter |
| UNSPSC V24 | 39121103 |
| eClass 10.1 | 27440108 |
| Bemessungsspannung | 24 V |
| Betriebstemperatur | -25...90 °C |
| Geschirmt | Nein |
| Schutzart (IP), montiert | IP65 |
| Umgebungstemperatur | 90...90 °C |
| Verschmutzungsgrad | 1 |
| Werkstoff der Kontaktbeschichtung | Nickel/Gold |
| Werkstoff des Gehäuses | sonstige |
| Werkstoff des Gewinderings | sonstige |
| eClass 11.0 | 27440108 |
| eClass 9.0 | 27440108 |
| Ausführung | Y-Adapter |
| Bemessungsstrom In | 4 A |
| Brennbarkeitsklasse des Isolierstoffs nach UL94 | HB |
| Zolltarifnummer | 85366990 |
| RoHS-konform | NOT_RELEVANT |